Универсальный модуль Мега12-NW2AI2AO предназначен для измерения и генерации сигналов стандарта 4-20мА. Каждый канал генерации и измерения имеет индивидуальную гальваническую изоляцию и светодиодную индикацию. Каналы генерации тока имеют встроенный канальный источник питания, и возможность питания датчика от внешнего источника. Измерительные каналы имеют разрешение 16 бит, что позволяет производить измерения с высокой точностью. Модуль позволяет обмениваться информацией с датчиками по протоколу HART.
Программное обеспечение модуля обеспечивает обмен данными по шине в режиме ведомого устройства, индикацию работы и обмена по шине, генерацию и измерение сигналов 4-20 мА, а также хранение данных и уставок во внутренней памяти микроконтроллера.
Конструктивно модуль выполнен в едином формате с контроллером Мега12-NW, что позволяет его соединять с контроллером через межмодульный разъём и устанавливать на DIN рейку. При работе с контроллером программируемым Мега12-NW обмен данными по шине происходит на максимальной скорости. Карта регистров модуля приведена в разделе «Приложения Д. Карта регистров модулей расширения» данного руководства.
Внешний вид модуля дискретного вывода Мега12-NW2AI2AO показан на рисунке 2.12.1
Рисунок 2.12.1 - Внешний вид модуля дискретного вывода Мега12-NW2AI2AO
| Параметры | Значение |
|---|---|
| Напряжение питания модуля, В | 10…30 |
| Ток потребления при 12В, мА, не более | 150 |
| Ток потребления при 24В, мА, не более | 80 |
| Параметры пассивных аналоговых входов AI: | |
| - количество, шт. | 2 |
| - тип входных сигналов | 4-20 мА с поддержкой HART |
| - входное сопротивление, Ом | 124 |
| - пределы допускаемой приведенной погрешности в рабочем диапазоне температур, % | ±0,2 |
| Параметры пассивных аналоговых выходов AO: | |
| - количество, шт. | 2 |
| - тип входных сигналов | 4-20 мА |
| - пределы допускаемой приведенной погрешности в рабочем диапазоне температур, % | ±0,2 |
| Разрядность АЦП, бит | 16 |
| Разрядность ЦАП, бит | 14 |
| Индивидуальная гальваническая изоляция, В | 1000 |
| Индикация состояния входов/выходов | светодиодная |
| Тип интерфейса шины данных | RS485 |
| Скорость передачи данных по шине, бит/сек | 9600…115200, 921600, 1500000, 1728000 |
| Протоколы обмена данными по шине | Modbus RTU, RTM64, RTM64-Var, RTM-MW |
| Диапазон рабочих температур, oС | От «-»40 до «+»60 |
| Габариты, мм | 19х122х93 |
Рисунок 2.12.2 - Структура модуля Мега12- NW2AI2AO
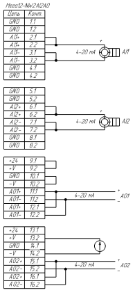
Схема подключения дискретных выходов модуля Мега12-NW2AI2AO показана на рисунке 2.12.3.
Рисунок 2.12.3 - Схема подключения дискретных выходов модуля Мега12- NW2AI2AO