Модуль предназначен для генерации аналоговых сигналов на исполнительные устройства, имеющие унифицированный токовый вход «4-20мА» и передачи данных по цифровой последовательной шине данных из управляющего контроллера. Модуль оснащен светодиодными индикаторами состояния каналов. Каждый канал модуля имеет индивидуальную гальваническую изоляцию и встроенный источник питания, также возможно подключение внешнего источника питания для выходного сигнала.
Программное обеспечение модуля обеспечивает обмен данными по шине в режиме ведомого устройства, индикацию работы и обмена по шине, формирование цифровых значений сигналов и выдачу аналоговых сигналов на выходы, а также хранение данных и уставок во внутренней памяти микроконтроллера.
Конструктивно модуль выполнен в едином формате с контроллером Мега12-NW, что позволяет его соединять с контроллером через межмодульный разъём и устанавливать на DIN рейку. При работе с контроллером программируемым Мега12-NW обмен данными по шине происходит на максимальной скорости. Карта регистров модуля приведена в разделе «Приложения Д. Карта регистров модулей расширения» данного руководства.
Расположение контактов модуля аналогового вывода Мега12-NW4AO представлено на рисунке 2.11.1.
Рисунок 2.11.1 - Внешний вид модуля аналогового вывода Мега12-NW4AO
| Параметры | Значение |
|---|---|
| Напряжение питания модуля, В | 10…30 |
| Ток потребления при 12В, мА, не более | 600 |
| Ток потребления при 24В, мА, не более | 300 |
| Параметры аналоговых выходов, AO: | |
| − количество, шт | 4 |
| − тип выходных сигналов | 4-20 мА |
| − максимальное сопротивление нагрузки, Ом | 800 1) 1500 2) |
| − пределы допускаемой приведенной погрешности установки тока, % от диапазона | ±0,2 |
| Параметры выходов: | |
| − количество, шт. | 4 |
| − индикация состояния каналов | светодиодная |
| − тип гальванической изоляции | индивидуальная, 1000В |
| Тип интерфейса шины данных | RS-485 |
| Скорость передачи данных по шине, бит/сек | 9600…115200, 921600, 1500000, 1728000 |
| Протоколы обмена данными по шине | Modbus RTU, RTM64, RTM64-Var, RTM-MW |
| Диапазон рабочих температур, oС | От «-» 40 до «+» 60 |
| Габариты, мм | 19х122x93 |
Структура модуля Мега12-NW4AO представлена на рисунке 2.11.2
Рисунок 2.11.2 - Структура модуля Мега12-NW4AO
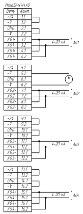
Схема подключения аналоговых выходов модуля Мега12-NW4AO показана на рисунке 2.11.3.
Рисунок 2.11.3 - Схема подключения дискретных выходов модуля Мега12-NW4AO